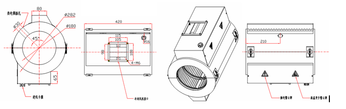
Описание:
Используется на всех этапах экструзии. Состоит из нескольких нагревателей, связанных с системами охлаждения. В зависимости от требований к специфике применения, их количество и проектная схема могут быть объединены в единую систему. Поскольку экструзионный цилиндр полностью покрыт, он имеет равномерно распределенную температуру. Также, благодаря увеличенной поверхности нагревательного элемента, достигается улучшенная эффективность и удаление фрикционного тепла от области экструзии. Состоит из нескольких ленточных нагревателей, к которым крепится охлаждающий чехол с с присоединенной вентиляторной коробкой и прикрепленным воздухораспределителем. Ленточный нагреватель легко снять и заменить. Максимальная температура нагревателя 500 C. В настоящий момент, этот обогреватель является самым лучшим охлаждающе-нагревающим изделием для экструзионных станков и цилиндров литьевых машин.
Имеются три типа нагревателей с воздушным охлаждением, на выбор :
1. ЛК-FTC ( без охлаждающих теплообменных пластин)
2. ЛК-FQTC ( с керамическими охлаждающими теплообменными пластинами)
3. ЛК-FTTC ( с медными охлаждающими теплообменными пластинами – самыми лучшими по эффективности нагревания и охлаждения)
Таблица
|
Мoдель |
Размер(мм) |
Напряжение (Вольт) |
Мощность (ватт) |
Основные технические параметры |
|
LK-FTC-Φ75X162 |
Φ75X162 |
230 |
1500 |
1.Применяется при температуре окружающей среды -20~+60℃
относительная температура <80%
2.Обратный ток :<0.5MA
3.Изоляционное сопротивление:≥5MΩ
4.Сопротивление заземления:<0.1Ω
5.Устойчивость к напряжению: без электрического пробоя за 1 мин.при 1500В
6.Teмпературные пределы:500-800℃
7.Электропитание, отклонения:+5%-10%
|
|
LK-FTC-Φ90X220 |
Φ90X220 |
230 |
2400 |
|
LK-FTC-Φ130X280 |
Φ130X280 |
230 |
3500 |
|
LK-FTC-Φ140X325 |
Φ140X325 |
230 |
6000 |
|
LK-FTC-Φ150X420 |
Φ150X420 |
230 |
7000 |
|
LK-FTC-Φ175X460 |
Φ175X460 |
230 |
1000 |
|
LK-FTC-Φ200X550 |
Φ200X550 |
230 |
12000 |
|
LK-FTC-Φ260X570 |
Φ260X570 |
380 |
15000 |
|
Примечание: Другие модели могут быть изготовлены по вашим спецификациям, смотрите Памятку для заказчика
|
Памятка для заказчика:
Пожалуйста, при заказе указывайте:
1. Внутренний диаметр и длину (мм) нагревателей
2. Напряжение и удельную мощность
3. Размер и месторасположение отверстия для подсоединения термопары
4. Тип вентиляторов охлаждения (LK-FTC, LK-FQTC или LK-FTTC)
5. Нужен ли толстый слой покрывающей изоляции для предотвращения потерь тепла и экономии электроэнергии
6. Нужен ли вентилятор
7. Нужна ли лазерная гравировка на внешней стороне нагревателя, ее содержание
8. Количество штук
9. Дата доставки
* Лучше прислать нам чертежи и фото
